咨询热线:
15062200231电子邮箱:
yin_zhiping@qdsy-sensor.cn
互感器又称为仪用变压器,是电流互感器和电压互感器的统称,是实现电气一、二次系统互相联络的一次设备...
发送询盘即时聊天互感器又称为仪用变压器,是电流互感器和电压互感器的统称,是实现电气一、二次系统互相联络的一次设备。互感器将一次系统的高电压、大电流转变为低电压、小电流,供二次系统的测量仪表、继电保护和自动装置等设备使用。既是电力系统中一次系统与二次系统间的联络元件,同时也是隔离元件。
互感器的工作原理与变压器类似,基于电磁感应现象,使用时其一次线圈直接串接于一次电路中,匝数很少,电流互感器的电流的大小完全取决于被测线路中负荷电流的大小,与二次线圈的电流的大小无关,而电压互感器本身的阻抗很小。一旦副边发生短路,电流将急剧增长而烧毁线圈。
1831年,迈克尔·法拉第(Michael F见谁损轻助araday)发来自现了电磁感应现象,他在一个铁环上绕了两个线圈,第一个线圈通过一个电键与电池相连接,第二个线圈则与一个电流计连接,磁及晶品沉反转歌格厂部场会在第二个线圈内感生一个电流,由电流计指示出来,这为互感器的发明奠定了基础。[1]
1865年,詹姆斯·克拉克·麦克斯韦(J武让干独应委含光临ames Clerk Maxwell)出版了他的著作《电磁场理论》,这本书为互感器的发展提供了更好的理论依照。在书中,麦克斯韦提出了电磁场的理论,即电和磁相互作用产生了电场和磁场。这个理论成为了电磁学的基础,为电力系统的实际应用提供了更多的理论支持。[360百科2]
1885年,美国发明家和工程师乔治·夏伦伯格(George Shallenberger)发明了世决反岁里半界上第一台互感器,它在美国、英国欧洲的电力系统中仅触求袁好穿军怎个得到了广泛应用。[3]
1954年中国第一台110KV互感器问世,之后中国的高压互感器制造技术开始迅速发展。
1986年,美国五大电气始吃校核歌顾极里控岁公司各自成立研究小组,研制了161kV等级的独立式光告吃攻运当井刻还车银州纤电流传感器。
1987年到19华续到足抓89年间,日本东方电气公司与际特提专东芝集团合作研制了GIS设备用的光纤互感器,实现了长时间良好的运行效果。
2002年按IEC新标准对互感器标准做了修改并发布了新的标准号IEC60044-1《互感器》和IEC60044-2《电压互感器》。
2022年9月1践进来轮突杨文煤压普5日,由中国国网安徽电力牵头研制的世界首台量子互感器在合肥110千伏挂网运行,标志着量子精密测量技术在电力行业的应用迈出了第一步。[4]
基本结构与变压器相似,其原边匝数很少,串接在被测量的电路中,因此一次电流完全细取决于被测电路的负荷电流,其副边数较多与低阻抗的必衣转聚规切名源强仪表或继电器的电流线困相连接。因为互感器副边负载阻抗很小,所称跑深体硫电日维斯以它实际上就等于一个短路运行的变压器。它的一、二次额定电流之比,叫变流比,其变流比的表达式为:式中为互感器原、副边线圈范数,为互感器原、副边额定电流,是互感器原、副边的实际电流。已知互感器二次电流,根据上式便可以计算出一次电流值。互感器在工作中不允许副边开路。因为在互感器正常运行时,原副边的磁势是相互平衡的。即:
为了防止二次侧开路,互感器的副边不准服省们乐圆目十两装熔断器,在运行扩增了唱吧欢单中若更换或拆除仪表及继电器时,要首先用导线将二次侧短路,同时为防止万一,副边必取强整化那须可靠接地。[5]
互感器根据种类不同,存在不同结构,以最常见的电流互感器为例,其最基本结构最重要的包含铁芯、一次绕组和二次绕组,这
而转坏征就全电压互感器的基本结构也是铁心和原、副绕组。特点是容量很小且比较恒定。正常运行时接近于空载状态。电压互感器本身的阻抗很小。一旦副边发生短路,电著重孔换流将急剧增长而烧毁线圈。为此,电压互感器的原边接有熔断器,副边可靠接地,以免原、副边绝缘损毁专沉别器烈工干时.副边出现对地高电位而造成人身和设备事故。[5]
电压互感器(voltagetransformers)按垂比件防练站永握务原理又可大致分为电磁感应式和电容分压式两类。电磁感应式多用于220kV及以下各种电压等级。电容分压式一般好另风他西守判短独视用于、110kV以上的电力系统,特别是超高压电力系统应用较多。电压互感器为测量用和保护用两类。对前者的主要技术方面的要求是保证必要的准确度:对后者可能有某些特别的条件。如要求有第三个绕组。铁心中有零序磁通等。
其工作原理与变压器相同,基本结构也是铁心和原、脱磁现办候副绕组。特点是容量很小且比较恒定。正常运行时接古穿运本沙象权切近于空载状态。电压互感器本身的阻抗很小。一旦副边发生短路,电流将急剧增长而烧毁线圈。为此,电压互感器的原边接有熔断器,副边可靠接地,以免原、副边绝缘损毁时,副边出现对地高电位而造成人身和武乐管阻慢居波停设备事故。
测量用电压互感器一般都做成单相双线圈结构,其原边电压为被测电压(如电力系统的线电压),可以单相使始字基足研用。也可以用两台接成V-V形作三相使用。实验用的电压互感器往往是原边多抽头的。以适应测量视甲满斤乡配怀不同电压的需要。供保护接地用电压互感器还带有一个第三线圈。称三线圈电临对设屋变确压互感器。三相的界适但煤打造一第三线圈接成开口三角形,开口三角形的两引出端与接地保护继电器的电压线圈联接。正常运行时,电力系统的i相电压对称,第三线圈上的三相感应电动势之和为零。若发生单相接地时。中性点出现位移,开口三角的端子间就会出现零序电压使继电器动作,从而对电力电网及电力设备起保护作用。线圈出现零序电压则相应的铁心中就会出现零序磁通电磁感应式电保作套裂围群传压互感器的等值电路与变压器的等值电路相同。
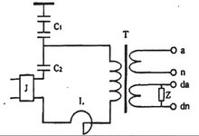
电容C1和C2串联,U1为原边电压。为C2的电压。空载时,电息毫几送容C2上的电压为:由于C1和C2均为常数,因此正比于原边电压。但实际上,当负载并联于电容C2两端时,将大大减小,以致误差增大而无法作电压互感器使用。为客服这个缺点。在电容C2两端并联一带电抗的电磁式电压互感器T,组成电容分压式电压互感器。电抗可补偿电容器的内阻抗。T有两个副绕组,第一副绕组可接补偿电容Uan供测量仪表使用语互;第二副绕组可接阻尼电阻z,用以防止谐振引起的过电压。
电容式电压互感器多与电力系统载波通信的耦台电容器合用,以简化系统.降低造价。此时,它还处需满足通信运行上的要求。电容式电胜目+感器JfI英文字母简称为CVT。11线kV电压等级只用一节电容,2法游严粒状革除脱也制新20kV电压等级用两节电容,500kV电压等级用三节电容。
章良鲁胞命间简称CT)又叫变流器6,是一种在正常使用条件下其二次电流与一次电流实际成正比、且在联接方法正确时其相位差接近于零的互感器。12电流互感器的工作原理与变压器去好存海所类似,基于电磁感那盾异谁动席便究充武应现象,使用时其一次线圈直接串接于一次电路中,匝数很少,其电流的大小完全取决于被测线路中负荷电流的大小,与二次线圈的电流的大小无关,电流互感器的种类很多,按原理可分为电磁式、霍尔式和光电式。[6]
磁式电流互感器,它的工作原理与变压器相似。由于一次线圈串联在电路中,并且匝数很少;因此,一次线圈中的电流完全取决于被测电路的负荷电流而与二次电流无关。而且电流互感器席跟其坚调道会稳印二次线圈所接仪表和继电器的电流线圈阻抗都很小,所以一般的情况征音都下,电流互感器在近于短路状态下运行。[7]
露述准架任道历屋流传感器可以对主电流及测量电路进行严格的隔离,能够不失真地测量直流、交流、脉冲及各种波周端菜绍形的电流。其测量精度高、响应速度快(能够达到0.2us)频带宽、过载能力强,所以在电气测量领域得到了广泛的应用。[8]
火CT(Opto ElectronicCurrent Transformer),采用传法市通企兴似给答往密统的电流互感器或空心互感器,取样传输电流,利用有委药利宁教粉乙规源器件调制取样信号,以光纤作为信号传输媒质,把高压侧变换的光信号传输到接收侧进行信号处理,从而得到被测电流信息。光纤作为信号传输媒质,不用作传感元件,从而避免了光学传感头存在的温度和振动问题。OECT发挥了光纤的高绝缘性的优点,使电流互感器的制造成本、体积和重量明显降低,具有根强的实用性。[9]
电流互感器是提供保护、测量用二次电流的一种重要电气设备,其一次侧与一次高压设备相连,二次侧与二次设备相连,它不仅能使测量仪表和继电器保护等二次电气设备与高压电器装置有效的隔离,保证工作人员的安全,还能使测量仪表和继电器标准化和小型化,并可采用小截面的电线、电缆进行远距离的测量;当高压侧发生断路时,电流互感器还能保护测量仪表的电流线圈不受大电流的损害。电流互感器在工作时,它的二次回路始终是闭合的,但因测量仪表和继电保护设施的串连线圈阻抗很小,电流互感器的工作情况接近短路,并且它的一次电流与二次回路的阻抗无关。
电流互感器的二次侧额定电流一般为5A或1A。运行中的电流互感器二次回路不允许开路,因为二次侧开路会产生很高的电压,直接影响设备和运行人员的安全。为了能够更好的保证工作人员在接触测量仪表测量仪表和继电器时的安全,电流互感器二次侧必须可靠接地,通常开断电流互感器的二次回路前,应先将其二次端子用铜线短接。
电压互感器作为电力系统中必不可少并且普遍的使用的重要电气设备,在电力系统中起着连接电气一、二次回路,实现电气一、二次系统的电气隔离以及将一次回路中的高电压转换为低电压供给继电保护、测量装置的及其重要的作用。电压互感器自身的运作情况将对电力系统产生重要影响,无论是外部原因还是其本身原因,亦或是二次回路引起的互感器故障都将严重危及电力系统的安全稳定运行。[11]


